
Product Introduction
We specialize in providing powder handling systems for powders, granules and tablets for industries such as food, nutrition products, pharmaceutical factories and chemicals.
·The Extraordinary IBC Technology
The IBC Blending System completes the powder conveying between various production processes through the IBC (movable transfer powder bin), and then conducts mixing.
·Processing Powders, Granules And Tablets In a Modular Way
Separating the manufacturing processes not only helps manufacturers build highly flexible and efficient production lines. Since each production process can be split into individual modules, it is convenient for future development and growth. New modules can be added according to requirements.
Introduction:
This IBC bin blender machine can automatically complete all actions such as lifting, clamping, mixing and lowering. Equipped with an automatic lifting hopper mixer and multiple mixing hoppers of different specifications, it can meet the mixing requirements of large quantities and multiple varieties.
Since the bin is the mixing container, the loading, unloading and cleaning time is greatly shortened. The filling and emptying processes of the bin are carried out independently of the mixer, so there will be no shutdown due to cleaning or the risk of cross-contamination.
If you need to mix multiple batches, then the pharmaceutical bin mixer will enable you to efficiently produce a wide variety of formulas and batches.
Principle:
This powder mixer machine is composed of a machine base, a rotating body, a drive system, a lifting system, a braking system and a control system. During operation, push the mixing hopper into the rotating body, press the "Confirm" button on the touch screen, and the mixing hopper can be automatically lifted into place and automatically clamped. After the pressure sensor receives the clamping signal, the drive system starts to work and conducts mixing according to the set time and rotation speed; after reaching the set parameters, the rotating body can automatically stop vertically, and at the same time, the braking system works and the mixing is completed; then the lifting system works, the mixing hopper in the rotating body is lowered into place, stops automatically, and prints the process data. Push the mixing hopper out and transfer it to the next process.
Features:
This container blender is a new model successfully developed by our company after extensively absorbing and digesting advanced foreign technologies and combining with the national conditions. It has a reasonable structure, stable performance, and is easy to operate. The whole machine has no dead corners and no exposed screws. The rotating body (mixing hopper) forms an angle of 30° with the axis of rotation. In addition to the materials in the mixing hopper tumbling with the rotating body, they also move tangentially along the hopper wall, generating strong flipping and high-speed tangential movement, thus achieving the best mixing effect. It adopts PLC full-automatic control, and is equipped with an infrared safety device and a discharge butterfly valve with an anti-misoperation device to ensure production safety. The materials can go through different process stages in the same container without the need for frequent processes such as transferring materials and adding materials. It effectively controls dust and cross-contamination, reduces material loss, controls material stratification, optimizes the production process, and fully complies with the GMP requirements for pharmaceutical production.
Application Fields:
Sports Nutrition, Beverages & Mixes, Bakery, Infant Nutrition, Animal Nutrition, Flavourings, Pharmaceutical, Chemical, Battery, Plant-Based Foods, Nutraceuticals.
Examples of IBC Bin Blending Systems:

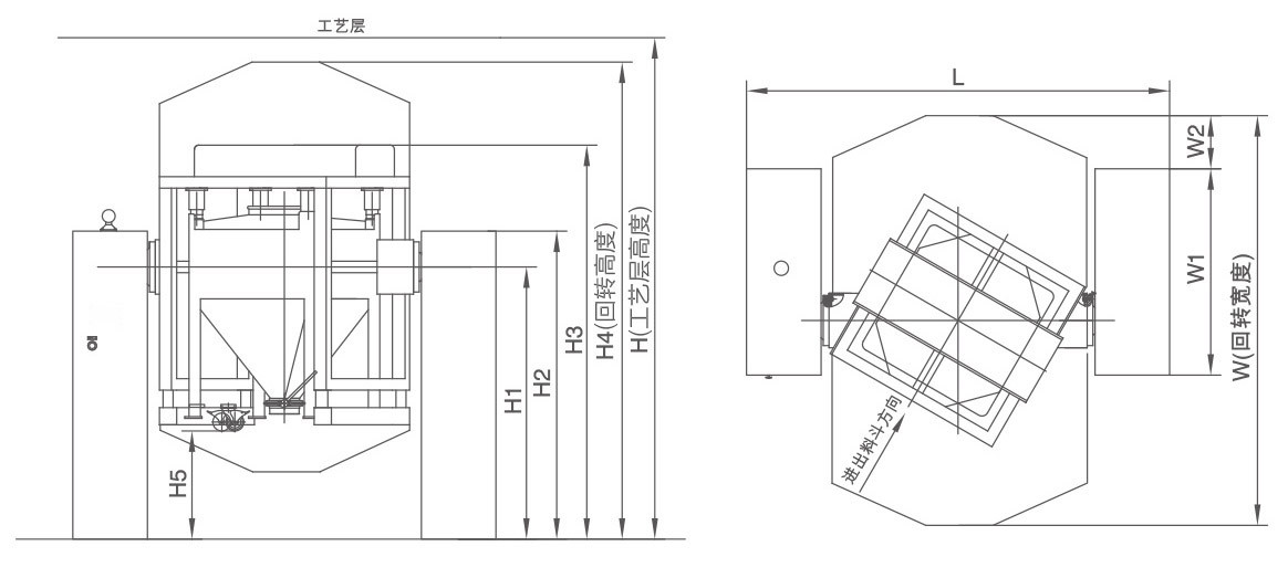
Technical Parameters

Get a Free Quote

Advanced technology provides one-stop service for your enterprise
24/7 before-sales and after-sales services
Comprehensive technical support